Содержание статьи: Если вы задумали сделать водяной теплый пол в квартире от центрального отопления, то знайте сделать это нужно правильно, что быу вас не было проблем с соседями и вашей коммунальной службой, обслуживающей систему отопления вашего дома. ПОЧЕМУ ЗАПРЕЩАЮТ МОНТИРОВАТЬ ТЁПЛЫЙ ПОЛ ВОДЯНОЙ В КВАРТИРЕ?А всё потому, что система отопления многоквартирного жилого дома состоит из двух труб- подачи и обратки, либо однотрубной системы: Система отопления таких домов рассчитана на отопление радиаторами. Гидросопротивление радиаторов на много меньше чем у тёплого пола, поэтому в системе водяной тёплый пол используется циркуляционный насос, для принудительного прогона теплоносителя.Так вот подключив коллектор тёплого пола к входной трубе системы отопления дома и выведя в обратку мы получим тёплый пол водяной в квартире и замерзших соседей, так как насос создал разряжение теплоносителя во входной трубе стояка дома и тепло просто не доходит до радиаторов соседей. По этой причине обслуживающие службы запрещают подключаться к системе отопления таким способом, но!… есть даже три «но»!…Существуют два способа как правильно подключиться к системе отопления многоквартирного дома и третий способ как вообще не подключаться к ней, но при этом иметь тёплый пол в квартире.И так, как же всё-таки подключиться к системе не создав разряжение в стояке? Данный способ заключается в использовании теплообменника.Теплообменник подключается как обычный радиатор в квартире, он не имеет гидравлического сопротивления, и поэтому теплоноситель без труда проходит через теплообменник без помощи циркуляционного насоса. При этом теплоноситель тёплого пола не смешивается с теплоносителем общей системы отопления дома. Остальные элементы оборудования таки же как и при устройстве системы тёплого пола в частном доме. Такой способ подключения не влияет на изменение давления в стояке, поэтому соседи у вас не замерзнут. Как говорится » И волки сыты и овцы целы»Вот схема данной модели подключения: А это теплообменник в составе смесительного узла: Способ «первичного и вторичного кольца». В роли первичного кольца выступает система отопления вашего дома, а в роли вторичного кольца- система трубок вашего водяного тёплого пола. Если кто помнит курс биологии со школы, то может быть знает что сердечно-сосудистая система человека состоит из большого и малого кругов кровообращения. Кровь течет по разным кругам, но при этом сообщается и смешивается между собой. Так и здесь два кольца связанны друг с другом , но при этом вторичное кольцо не мешает первичному.Посмотрите внимательно на рисунок и попытайтесь понять принцип работы этой системы: Допустим в вашем многоквартирном доме однотрубная система отопления. Врезку делаем в трубе, которая идет от радиатора. Первая врезка для подачи теплоносителя в тёплый пол делаем в 30 см от трубы-перемычки радиатора. Вторая врезка в 30 см. от первой для обратки тёплого пола. Обе врезки оснащаются кранами на случай ремонта системы тёплого пола. На обратке стоит обратный клапан для одностороннего потока в системе. И так, теплоноситель проходит через трехходовой клапан, далее нагнетается в коллектор, откуда идет по петлям тёплого пола, возвращается в коллектор обратки и тут… внимание!... часть теплоносителя уходит в обратку стояка дома, а часть, через трехходовой клапан системы, возвращается в подачу коллектора. Какую часть отдать в стояк системы отопления дома, а какую пустить на второй круг регулирует трехходовой клапан с термоголовкой.Такая система подключения обеспечивает равномерный отбор теплоносителя из общей трубы дома, не создавая разряжения в общем стояке. Это способ послать всех «нафиг» и устроить автономное газовое отопление в квартире, ведь никто не запрещает устанавливать газовые котлы с закрытой камерой сгорания на кухне или балконе, при этом не платя за общую систему отопления, а только за газ. Скорее всего у вас будет по деньгам выходить дешевле. Правда я не учитываю сумму, которую вы выложите за установку котла.А если вы заморочитесь и решите установить электрокотёл, то его вообще можно засунуть хоть в кладовку хоть в сан. узел, но по себе знаю, что отопление электричеством не самый дешёвый вид отопления.Выбор остается за вами, каким способом воспользоваться решать вам, но прежде чем приступить к монтированию тёплого пола водяного в квартире необходимо провести следующие работы:В первую очередь если вы задумали делать какие-то перегородки в квартире, то их нужно сделать их уже сейчас, либо хотя бы сделать каркас для гипсокартона. Проверить уровень перепада поверхности основания пола по всей квартире, если разница больше 2 см., то необходимо выравнить поверхность в » уровень». Поднять дверные проемы на высоту «пирога» будущего пола. Оштукатурить стены, хотя бы нижнюю их часть, так как при монтировании пола к ним нужно будет клеить демпферную ленту. Вымести весь мусор, убрать все неровности основания пола(бугры, выбоины, шероховатости). Определиться с местом, где будет находиться у вас котёл, если вы надумали его ставить, а так же распределительный коллектор, продумать в каком месте у вас будет врезка в стояк системы отопления дома. При монтировании пирога тёплого водяного пола в квартире единственным нюансом является, то что если вы живёте не на первом этаже или цокольным, то утеплитель можно постелить меньшей толщины, чем обычно. 50 мм. будет достаточно. В остальном технология такая же как и при укладке тёплого водяного пола в частном доме.Если вы решили заодно сделать тёплый пол на балконе, то необходимо учесть то, что балкон окружён практически со всех сторон холодом, и что бы компенсировать потери энергии, нужно на площади балкона трубу уложить по чаще, чем в самой квартире. domotopil.ruкак запустить водяные теплые полы. Как запустить водяной теплый пол
Как сделать теплый водяной пол в квартире с центральным отоплением
Способ 1.

Способ 2.

Способ 3.
как запустить водяные теплые полы :: pageneckgolf1987
Как должен проходить первый запуск теплого водяного пола? Когда можно включать его на полную мощность и как его проверит. Пожаловаться на это сообщение. Как должен проходить первый запуск теплого водяного пола? ЕОНЕЧНО ВОДЯНОЙ НО НЕМНОШКО ДОРОГОВАТА БУДЕТЬ....Водяной - если собственный дом и отдельная отопительная система с котлом. В квартире лучше - электрический. Кстати, любой теплый пол... Как запустить и испытать теплый водяной пол перед первым запуском? Конструкция водяного пола собрана, цементная стяжка только что залита. Петли наполняютсячерез присоединительный патрубок или резьбовую соединительную муфту, если коллектор не подключён к отопительной системе. Групповое регулирование водяного теплого пола – это управление объемом и/или температурой теплоносителя, т.е. «главными качественными» характеристиками отопительного процесса и может осуществляться:... Водяные тёплые полы - 5. ... Мне казалось, если рано запустить тёплый пол, то вода высохнет и физико-химическая реакция в цемента с водой, которая активно протекает как минимум 28 дней, прекратится раньше времени и бетон не наберет своей расчетной прочности. Для того чтобы установить теплый водяной пол своими руками к коллектору необходимо сделать нишу в стене непосредственно для самого коллектора или в этой же нише поместить коллекторный шкаф. Если вы решили делать водяные теплые полы своими руками с использованием металлопластиковых труб, то проверять следует, пропуская через них холодную воду в течение 24 часов. Проверка считается успешной, если показатели давления остались неизменными. Как видите укладка теплых водяных полов своими руками довольно трудоемкий процесс , однако все ваши неудобства будут полностью компенсированы удовольствием от уюта и комфорта, наполнившего дом. Бетонная система водяного теплого пола – это самая распространенная на сегодняшний день система водяного тёплого пола, трубы контуров теплого пола водяного заливаются бетоном и дополнительных распределителей тепла не требуется. На базе имеющейся в вашем доме радиаторной системы отопления возможна организация «теплого пола» как во всем здании, так и в отдельных помещениях, например, в ванной или детской комнате. ... В случае, если вы планируете устроить водяной теплый пол в деревянном или ином строении без железобетонных... Теплый пол своими руками: Этап подготовки к запуску системы в режиме "просушка". Установка автоматических воздухоспускных клапанов. Подготовка системы к запо... Категория: Пароварки, рисоварки, яйцеварки
На протяжении 15 лет теплые водяные полы с успехом используются в качестве основного и дополнительного источника тепла в жилых помещениях. Не секрет, что для исправной работы этой системы, при их сборке, важно соблюдать последовательность монтажа, а для этого нужно понимать, как работают теплые водяные полы. В таком случае даже если вы решили сделать теплые полы своими руками, у вас получится создать эффективный обогрев, который будет отличным средством в борьбе с холодом. В этой статье мы рассмотрим основные узлы водяного обогрева, и по какому принципу они работают.
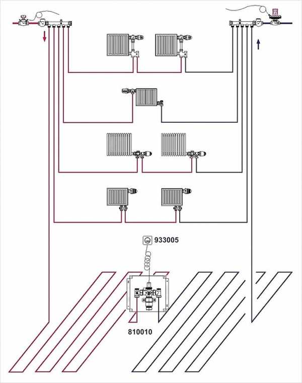
Схема подключения теплого пола Работа теплого водяного пола заключается в перекачивании теплоносителя по заранее уложенным трубам. Теплоноситель, как правило, двигается принудительно под воздействием циркуляционного насоса. Обогрев теплоносителя осуществляется в котле, который может быть газовый, электрический или на альтернативном топливе. В пол укладывается контур, который состоит из подачи и обратки. Между отопительным контуром и котлом оборудуется коллектор, в котором теплоноситель равномерно распределяется по нескольким контурам. Также коллектор служит для контроля и регулирования температуры. При падении уровня температуры ниже заданной, термостатические клапаны открываются, и в систему поступает горячая вода. Когда в системе и в помещении достигается заданная температура, эти клапаны перекрывают подачу теплоносителя, соответственно выключается насос. Для удобства управления вся система теплого пола работает в автоматическом режиме.
Коллектор теплого пола Благодаря коллектору можно устанавливать для пола комфортную температуру. Так, из котельной теплоноситель, поступающий к коллектору может иметь около 90 °С. На коллекторе имеется термоголовка с погружным зондом, которая позволяет регулировать температуру. Именно так и осуществляется настройка желаемой температуры теплого пола, которая достигает около 50 °С. При необходимости, остывший теплоноситель смешивается с горячим в необходимой пропорции, которую регламентирует погружной зонд. Таким образом, от вас требуется просто выставить нужную температуру, а система будет автоматически ее регулировать.
Обратите внимание! Дополнительно коллектор оснащается расходомерами. На них указывается уровень температуры в каждом контуре. Например, с коллектора может направляться один контур в ванную комнату и спальню. При желании вы сможете настроить необходимую температуру для конкретного помещения.
Чтобы регулировать давление в системе применяется байпасная линия. Благодаря ей, при аварии, вода будет слита в автоматическом режиме, что стабилизирует давление в системе.
Схема комбинированного отопления В некоторых случаях обустройство теплого пола можно только при комбинации его с радиаторной системой. Так, основным отоплением будут установленные радиаторы, а в отдельных участках помещения будет обустроен теплый пол. Чтобы это реализовать существует несколько вариантов. Например, на входе/выходе из котла устанавливается Т-разъем. Один выход предназначается для напольного отопления, а другой для радиаторного.
Обратите внимание! Напольное отопление можно легко внедрить в уже имеющуюся радиаторную систему. Это возможно благодаря беспроводному термостату, который ускоряет и облегчает процедуру монтажа и подключения водяного пола.
Мы обсудили с вами основные схемы работы теплого пола. Если вы понимаете, как устроена эта система, то осуществить монтаж своими руками вам не составит особого труда. Если у вас есть опыт в выполнении таких работ, то обязательно оставляйте отзывы. Если же у вас возникают вопросы, то задавайте их нашим экспертам.
Из предоставленного видео вы сможете больше узнать о принципе работы теплого водяного пола:
Рекомендуем ознакомиться с различными схемами подключения и устройства теплого водяного пола:
Схема и устройство теплого пола
Схема подключения дополнительного контура
Схема радиаторного и напольного отопления 
Схема подключения комбинированного теплого пола Последняя редакция: 01.12.2015 Автор: Максим Викторович
polsvoimirukami.ru